

Royal ESS TMO Sensor Flushometer 0.125 GPF for Urinal
Part Number: #85536
Sloan Model Number: ROYAL 186 ESS-0.125-DBP-TMO-HW
Sloan Code Number: 3452643
Manufacturer: Sloan
0.125 GPF, Dual-Filtered Bypass, Polished Chrome Finish, Fixture Connection Top Spud, Single Flush, True Mechanical Override, Hardwired, Sensor-Operated, Royal® Exposed Sensor Hardwired Urinal Flushometer
Specifications:
• Flush Volume: 0.125 GPF
• Finish: Polished Chrome
• Power Type: Hardwired
• Valve: Diaphragm
• Valve Body Material: Semi-red Brass
• Bypass: Dual-Filtered Bypass
• Fixture Type: Urinal
• Fixture Connection: Top Spud
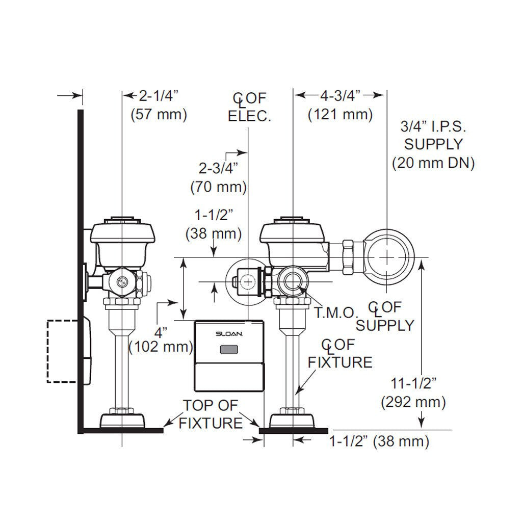
• Rough-In Dimension: 11 1⁄2"
• Spud Coupling: 3/4”
• Supply Pipe: 3/4”
Features:
• PERMEX® Synthetic Rubber Diaphragm with Dual Filtered Fixed Bypass
• Handle Packing, Main Seat, Stop Seat and Vacuum Breaker Molded from PERMEX® Rubber Compound for Chloramine resistance
• User friendly three (3) second Flush Delay
• Sweat solder adapter with cover tube and cast wall flange with set screw
• OPTIMA® EL-1500 Self-Adaptive Infrared Sensor with Indicator Light
• “Walk By” Delay of Eight (8) Seconds Prevents Unintentional Flushes
• Non-Hold-Open True Mechanical Override
• Non-Hold-Open Integral Solenoid Operator, Fixed Metering Bypass and No External Volume Adjustment to Ensure Water Conservation Courtesy Flush
• Non-Hold-Open True Mechanical Override
• High Back Pressure Vacuum Breaker Flush Connection with One- Piece Bottom Hex Coupling Nut, Spud Coupling and Flange for 3⁄4” Top Spud
• 3⁄4” I.P.S. Screwdriver Bak-Chek® Angle Stop with Vandal Resistant Stop Cap
Compliances & Certifications:
ADA Compliant, BAA Compliant, BREEAM Water Credit, cUPC Certified, cUPC Green Certified, Green Globes Water Credit, LEED V4 Water Efficiency Credit, Satisfies LEED Credits, UL Certified, WaterSense Listed
Resources:
View Sloan 3452643 Spec Sheet